EXPERTS EN DESIGN ÉLECTRONIQUE


418-932-0652

Courriel

Accueil
Services Entreprise Nous Contacter

Primma Microtechnologies 2017


CONCEPTION PCB

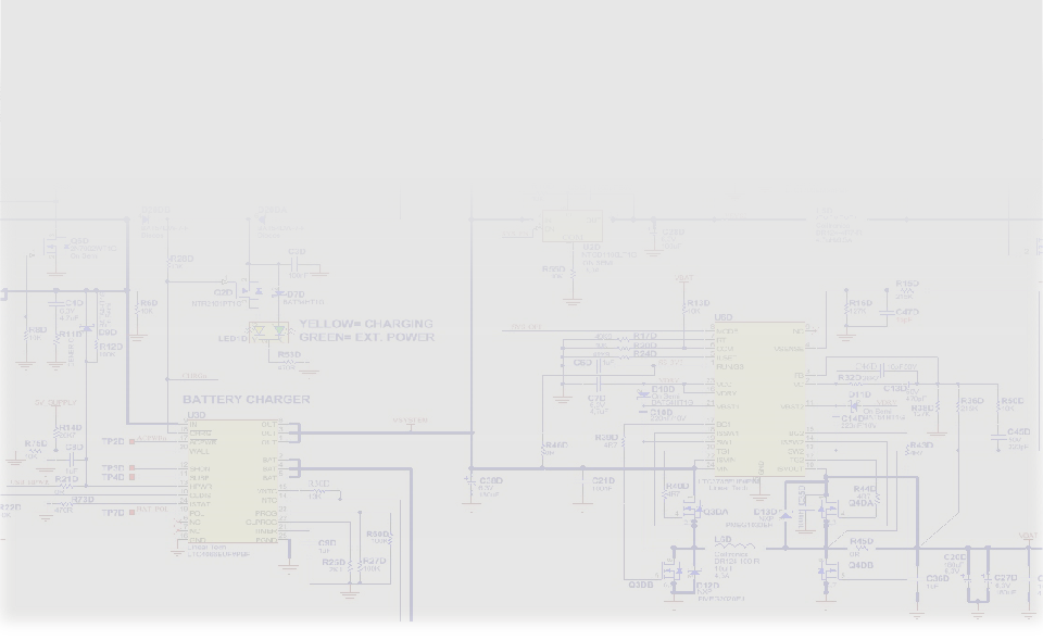
Cad Design

Nous utilisons le logiciel de CAD Altium Designer pour concevoir nos schémas de circuits ainsi que les circuits imprimés. De plus, nous avons une librairie de composantes élaborée qui permet de minimiser le temps requis à la conception.

Au besoin, nous pouvons aussi travailler avec le logiciel PADS pour vos besoins de routing.

Nous pouvons aussi retoucher vos anciens produits qui sont conçus sous P-Cad Windows ou P-Cad DOS (Master Designer).

La simulation 3D prends beaucoup d’importance afin de garantir un assemblage final sans surprises. Altium Designer intègre la simulation 3D sans devoir passer par un outil de CAD mécanique externe tel que SolidWorks. Cela raccourcit avantageusement le cycle de validation mécanique de la plaquette électronique avec les différentes composantes mécaniques.